
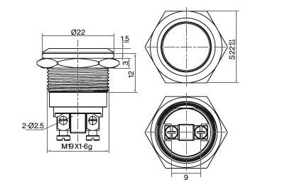
安裝尺寸:Φ19mm
開關額定值:5A/250VAC
按鍵頭部:平鈕、球鈕、高平鈕
操作類型:自復式(OFF)-ON
接觸電阻:≤50mΩ
絕緣電阻:≥1000mΩ
絕緣強度:2000VAC
環(huán)境溫度:-20℃ ~ +55℃
機械壽命:100萬次以上 >1million times
電器壽命:20萬次以上 >0.2 million times
螺母扭矩:5~14N.m
操作壓力:400gf±100gf
操作行程:1.5±0.5mm
外殼材質:不銹鋼/黃銅鍍鎳
防水等級:IP65/IP67

137-2862-0496